中文(繁体)
|
English
|
日本语
|
网站地图
首 页
公司简介
RIKO简介
发展历程
产品与服务
经营理念
新闻中心
最新消息
活动资讯
最新产品
产品资讯
光纖
光電開關
近接開關
光幕
其他
产品应用
光纤应用
光电开关应用
近接开关应用
光幕应用
产业别应用
客服中心
电话服务
常见问题
客户建议
联系我们
档案下载
目录下载
DM下载
教学
联系我们
中国威力科
产品资讯
光纖
光纖放大器
內含鏡頭光纖
耐彎光纖
塑膠光纖
精密型
耐热型
反射式
对照式
玻璃光纖
光導管
石英光纖
光電開關
近接開關
光幕
其他
您的当前位置是:
首页
->
产品资讯
->
光纖
->
塑膠光纖
->
对照式
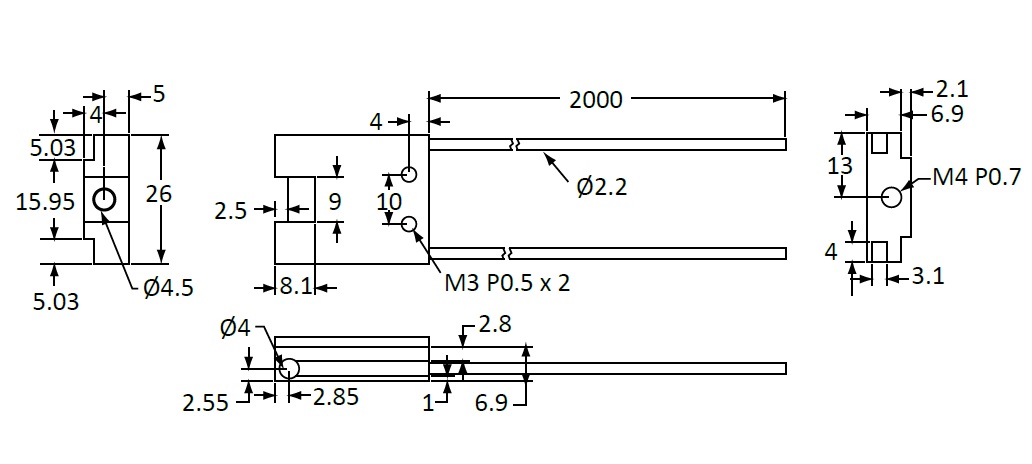
FTY-U09-20 塑膠光纖
• 類型:塑膠光纖
• 最小彎曲半徑 : R2
• 晶圓切割 BBD
产品介绍
产品规格
应用例
類型
塑膠光纖
光纖直徑
OD=Ø2.2,ID=Ø1.0
感應距離
9mm
工作溫度
-40℃~+70℃
最小彎曲半徑
R2
深圳
江蘇
北京/天津/山東/浙江/上海
广州/四川/其它区
惠州/福建/東北三省
东莞